首页 -> 2008年第6期

高职院校植物组织培养实训室的建设与管理探索

作者:张 敏 孙红绪




  摘要:对高职院校植物组织培养实训室进行合理的规划和管理,可以提高其利用效率,按照“社会需求—教师科研—学生参与”的模式,实现科研、实训、生产三者有效结合,培养高素质的技能型人才。
  关键词:高职院校;植物组织培养;实训室;建设;管理
  
  实验实训是实现高职院校培养目标的重要教学环节。植物组织培养(以下简称组培)实训室是培养生物类专业高技能应用型人才的重要场所,它既是高职生物技术专业及园艺园林专业学生的实验、实训室,也是教师及学生进行组培科学研究的场所,同时还可作为一个具备一定组培苗生产能力的组培苗生产基地。那么,如何充分发挥组培实训室的功能,使科研、生产、实训三方有机结合,实现组培实训室最佳的教学效果、经济效益和社会效益呢?笔者认为,良好的组培实训室建设是基础,健全的管理体制是核心。
  
  植物组织培养实训室的建设
  
  (一)植物组织培养实训室的建设目标
  从组培实训室功能来看,组培实训室是学生实验的重要场所,可以培养学生的实际操作技能;也是生物系列教师科学研究的小型研究室;同时还是学生的生产实习基地和新品种种苗工厂化生产的车间。
  基于以上功能,组培实训室的建设目标是:(1)具备组培实训室的基本结构和功能,能满足日常教学活动的基本需要;(2)具有较先进的组织培养仪器设备,能满足教师组培科研方面的基本需要;(3)建筑面积和设计能满足小型规模化生产的需要。
  按照以上功能和建设目标的要求,设计和规划应具有实用性、先进性、前瞻性及节约性的特点。
  (二)植物组织培养实训室的规划布局及相关设备配置
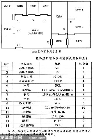
  高职院校组培实训室由于需要兼顾学生实训实习、教师科研和植物新品种组培种苗生产三方面的需要,建筑面积最好能达到160~200m2。在结构安排上应有贮藏室、药品室、准备间(包含洗涤区、药品称量区、培养基制备区及灭菌区四个工作区)、缓冲间、无菌室、培养室及分析室。贮藏室面积约10 m2,主要用于堆放组培瓶等杂物。药品室面积约10 m2,应配有药品柜、冰箱等,主要用于贮藏各类药品。准备间面积约80m2,其中洗涤区、药品称量区、灭菌区占地面积各为7~8m2,培养基制备区约50~60m2。 洗涤区应配置有大型水槽及多个水龙头;药品称量区须有水泥台面并铺设白瓷砖以供放置称量仪器如电子天平、普通天平等;灭菌区要配置高压灭菌锅,同时还应配置380V50Hz专线电源,并设保护的空气开关;培养基制备区应配有大型实验桌、搁架、电炉、蒸馏水器等。缓冲间面积约3~5m2,它是从准备间进入无菌室的通道,应备有灭过菌的工作服、拖鞋、口罩等以防带入杂菌。无菌室面积约20m2,要求干爽、安静、清洁明亮,门窗要密闭,在适当位置安装紫外线灯及空调机,并配备净化工作台、搁架等设施。培养室要求干净明亮,采光性、保温性好,在适当位置吊装紫外线灯及换气扇,可设计成两间,面积各为20m2,这样既可满足科学试验的需要,也可满足一定规模的苗木生产需要。培养室内应根据面积大小配置一定数量的光照培养架及一定规格的空调机。分析室面积约10~20m2,室内窗台边应搭建白瓷砖面水泥边台,供放置各类显微镜、解剖镜等,主要用于培养过程中对培养物的观察及分析。组培实训室基本结构布局及相关设备配置如下图和表所示。
  
  植物组织培养实训室的管理
  
  要充分发挥组培实训室应有的功能,建立健全管理体制是非常重要的一环。结合组培实训的特点及实验室管理的规定,笔者认为组培实训室的管理应重点抓好以下环节:
  (一)严格的安全管理
  安全管理是组培实训室管理的首要环节,组培实训中存在多处必须特别加以重视的盲点,否则就会酿成重大的安全事故。
  组培实验室用电安全管理组培室用电量很大,组培全过程几乎都离不开电,因而对于电器设备引起的火险必须特别关注。这种危险可能来自于电源、开关、电路线,线路年久失修、保险丝失灵等都可能导致电线起火或者停电。因此,应定期检查实验室的线路,确保万无一失。
  压力容器使用安全管理高压灭菌锅是组培实训室最重要的设备,日常使用必须严格按照操作规程进行,整个灭菌过程应有专人看管。尤其应注意的是,在使用中,如果夹层有压力,应拉动安全阀手柄数次,确保安全阀工作正常,防止蒸汽压力超过额定压力造成锅体爆炸破裂。灭菌完成后,必须关闭电源,放完锅内的蒸汽,使压力下降为零时,才能开启锅门,切忌强行开门,以防高压蒸汽对人体和设备造成危害。每天连续使用时间应小于8小时。使用一年之后,要请有资格的检测部门做一次全面的检查和维护,超过使用期限必须报废。
  有毒化学药品安全管理外植体消毒剂氯化汞是一种极为有效的杀菌剂,但也是一种剧毒药品,必须严格管理:(1)氯化汞应由至少两名实验管理人员或教师共同掌管,每次使用时要详细登记,防止私人带出实验室。(2)采用专门的药匙、烧杯、量筒来配制,称量后垫在天平盘上的纸应及时清除,配制完后要立即洗手。(2)在消毒操作过程中应小心谨慎,避免接触皮肤,特别要提防在搅拌或振荡消毒液时溅入五官。(3)消毒完成后应及时倒掉消毒液。另外,实验室消毒常用的甲醛对眼睛有很强的刺激作用,每次消毒后要开启窗户,待气味散尽后再进入室内。
  紫外线安全管理紫外线照射消毒也是实验室经常要进行的工作。但紫外线对人体皮肤有很强的刺激作用,长时间照射会致癌。因此,当紫外线灯开启时,不要进入实验室内,紫外线灯关闭20分钟后方可进入。
  (二)定期的卫生消毒管理
  
  组培室应随时保持清洁卫生,严防污染源的产生和扩散。特别是学生实训过程中出现的一些被污染的试管苗应及时清理干净。组培室对无菌条件要求很高,特别是无菌室及培养室,应保持无菌状态。因此,应定期进行消毒处理。培养室可每周进行一次20~30分钟的紫外线灯消毒处理,一年进行一次甲醛与高锰酸钾熏蒸消毒。无菌室在使用前应进行紫外线灯消毒20分钟,并用75%酒精喷雾消毒处理,一年也需进行一次甲醛与高锰酸钾熏蒸消毒。
  (三)学生实训过程的跟踪管理
  首先,对学生的每一次实验、实训应建立严格的登记制度,包括实验仪器的使用情况,药品的消耗情况,特别是对有毒药品的使用更要有严格的记录。其次,组培实训也是一个系统化的过程,从培养基母液的配制、培养基的配制与灭菌、外植体的消毒与接种、试管苗的分化等一系列程序,学生必须经过多次实训才可能提升对组培全过程系统化、程序化的认识水平和实践操作技能。因此,每次实训应该让学生写出实训报告,同时还需安排学生定期到实训室进行观察、记载,并对有些实训过程进行跟踪。例如,接种之后通常需要较长一段时间试管苗才开始分化,初代培养物常会表现不同程度的污染。在此期间让学生跟踪观察,可以了解到所做实验的污染和分化情况,既是对其前面实验的总结,也能让其认识到试管苗分化的过程。当然教师也应随时引导学生进行分析并采取相关技术处理措施,如污染原因分析及处理、试管苗分化情况分析及相应继代培养技术处理等。实践证明,对实训过程的跟踪管理,可以加强学生对组培全过程的认识,提高学生的学习兴趣及动手能力。
  (四)实训、科研、生产有机结合的管理
  组培技术是一项应用性很强的技术,目前已广泛应用于农作物脱除病毒及快速繁育,给农业生产带来了巨大的经济效益。结合高职院校的人才培养目标及当前的生产实际情况,实施科研、生产、实训三方有机结合的组培实训室管理措施,是一项教师、社会、学生、学校多方受益的良好管理模式。
  按照“社会需求——教师科研——学生参与”三结合的模式,组培实训室完全可以实现科研、实训、生产三者的有效结合。首先,教师根据市场需求选择研究课题,在科研过程中带动学生参与,既可以提高学生的专业学习兴趣,也可以培养他们的动手、动脑能力,提升他们的综合素质,同时也可为教师的科研工作提供了人力资源支持。其次,可为农业生产提供大量的优质种苗,服务地方经济,使研究成果转化为现实生产力,为学校及订单单位带来一定的经济效益,同时也可扩大学校的知名度,为学校的招生及学生就业奠定基础。再次,学生利用课余时间,分实习小组定期参与组培生产,可提高学生的操作技能,为他们将来从事植物组织培养工作奠定基础。
  我院承担的宜昌市重点科研项目——薇菜试管苗的生产,正是这种“三结合”的产物。我们根据出口形势及野生薇菜种苗难以繁殖和退化的现实情况选择了这一课题,带领学生直接参与这一课题的基础服务工作。课题已通过省级专家组验收,并已开始根据市场需求较大规模地生产种苗。
  事实证明,对组培实训室进行合理的规划和管理,按照“三结合”的管理模式进行管理和运作,可以提高教师、学生的积极性,使实验实训室作用最大化,效益最佳化,是一种有益的探索。
  
  参考文献:
  [1]王清连.植物组织培养[M].北京:中国农业出版社,2004:8-14.
  [2]刘进平,莫饶,吴繁花,等.组培工厂和植物组织培养实验室的安全管理[J].农业与技术,2005,25(1):125-126.
  作者简介:
  张敏(1966—),女,湖北当阳人,三峡职业技术学院讲师,主要从事植物组织培养的教学及科研工作。