首页 -> 2007年第12期

推行以能力为本位的《电子技术》课程的教学改革

作者:王 伟




  重视理论与实验相结合
  
  (一)重视实验环节,提高教学成效
  《电子技术》课程本身是一门实践性很强的学科,学科中的很多原理和特性需要通过实验等手段获得,因此,在《电子技术》课程的教学中高度重视实践环节。首先,将实验都安排在正课中,以引起学生的充分重视。其次,切实按照课程教学大纲组织和安排每次实验,每次实验之前都要求学生做好预习,实验过程要求学生独立完成。实验结束之后要求学生认真完成实验报告,并对实验报告及时做出批改和总结。再次,学期临近结束时,选取一个典型的电子实验进行考核,该实验成绩将作为课程总成绩的重要组成部分。通过这些方法和手段,绝大多数学生都能非常重视实验,实验效果明显提高。
  (二)在课堂中引入电子小制作,进一步强化实践教学
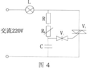
  作为一名电子教师,笔者清醒地认识到,由于实验主要是验证性的,与实际应用有一定距离,因此,为了进一步提高《电子技术》课程的学习效果,根据教学进程引入了一些电子小制作。例如,在讲授功放电路之后,带领学生装配TDA2030D集成功放电路;在讲授“可控硅逆变和交流调压”这一节后,由于书上提供的单相交流调压电路是原理性电路,无实用价值,于是笔者引入了相当实用的双向可控硅交流调压电路,可用来将普通台灯改装成调光台灯。电路如下:
  
  在进行电子制作时,首先,笔者将整个制作过程和要求加以详细的说明,然后要求学生自行购买元器件,自行设计印刷版,独立装配调试,出现故障时尽量自行分析解决。通过电子制作可以使学生初步掌握电子产品制作的全过程,熟悉产品工艺,而且由于成本低(调光电路成本不到10元),制作成功后效果明显。例如调光电路装好之后马上可以接上灯泡进行调光;TDA2030A功放电路装好后,马上可以装上信号源和喇叭听音乐。这种成功的体验大大激发了学生学习《电子技术》课程的兴趣,增强了学生的动手能力,促使学生进一步掌握了理论知识,可谓一举多得。
  当然,上述教学理念、方法和手段在教学实践中还存在不断深化的问题,同时,针对不同班级的情况还要做出适当的调整。另外,《电子技术》这门学科本身也在不断迅速地发展,新元件、新技术层出不穷,因此,作为教师更应保持与时俱进的态度,不断补充新内容,不断改进教学方法,以达到较好的教学效果。自1990年以来,笔者在《电子技术》课程的教学过程中充分运用上述理念、方法和手段,取得了较好的教学成效。1995年,笔者带领1993级电工班参加《电子技术》课程的全省统考,获得全省技工学校第二名。1998年上半年,笔者带领1997级机电(2)班参加《电子技术》课程的学校抽考,合格率达94%。
  总之,通过贯彻以能力为本位的原则,以创新为手段,以实践为根基,《电子技术》课程的教学成效就可以显著地提高,从而为电工类专业课的学习打下坚实的基础。
  
  参考文献:
  [1]诸林裕,等.电子技术基础[M].北京:中国劳动社会保障出版社,2001.
  作者简介:
  王伟(1969—),男,浙江杭州人,浙江同济科技职业学院机电系高级讲师。
  

[1]