首页 -> 2007年第1期

MCL系列电力电子实验台在教学上的应用

作者:白广新




  摘要:本文介绍了MCL系列电力电子实验系统的组成、特点及其在实训教学中的应用。该系统为高职电力电子技术实训教学提供了便利,使学生对实训的原理及方法能有一个较明确的认识。
  关键词:电力电子技术;实验系统;应用
  
  电力电子技术是一门综合了电力技术、电子技术、电力半导体器件、自动控制技术等许多学科的边缘交叉学科。它在一般工业、交通运输、电力系统、不间断电源和各种开关电源、家用电器、能源的开发和利用等方面的应用越来越广泛。社会迫切需要培养在这方面具有综合设计与综合创新能力的高素质工程技术人才。因此,在高职电力电子技术课程教学中,建立与之相适应的电力电子技术实训课程尤为重要。MCL系列电力电子实验台为高职电力电子课程实训教学提供了一个灵活、有效、功能完善的实验平台。
  
  实验系统组成
  
  MCL系列电力电子实验系统由信号电源和实验电路两大部分组成。
  信号电源部分该系统采用50Hz三相四线制供电,经过一套过流、过压、漏电等保护电路,再分别通过调压、变压、稳压电路,得到实验需要的交流可调电源(0~250V/8A)、多路直流稳压电源(±15V、+5V、+18V)及斩波信号源、逆变信号源、同步信号源等。它们为不同的实验电路提供不同的电源信号。
  实验电路部分根据不同的电力电子器件及各种不同的电力变换电路,分别设计了不同的、相对独立的实验单元挂箱。各实验单元电路原理清晰、可操作性强、效果直观,如有电位器、发光二极管、测试工作点、开关和按钮供学生操作和观察。各单元电路既可独立使用,也可组合使用。系统结构示意如图1所示。
  
  实验系统特点
  
  结构组合模块化采用组件式结构,可根据不同实训内容组合,结构紧凑,使用方便灵活,并且可随着功能的扩展增加组件,能在一套装置上完成《电力电子技术》、《电力拖动控制系统》等课程的主要实验。这是该系统的突出特点。
  实训单元电路集成化 将典型的实训单元电路集成在一个挂箱上,并辅之特色名称,清晰易懂。例如直流斩波电路实验箱、IGBT/VDMOS/GTR电力电子器件实验箱等。实验电路绘制在各个单元挂箱的面板上,接线柱、电位器也安装在电路相应的位置,还引出多个测试点,方便学生检测各点的工作状态(例如电压值、工作波形等),便于掌握实验电路的具体动作行为。
  实训内容直观化 学生可根据不同的实训内容选取一个或多个实验挂箱,按实训系统线路图进行顺序连接。这样,学生可以直观地了解实训系统构成的各大环节,克服了以往实训设备整体封闭或实训电路连接过于繁琐,学生对实验原理、步骤不明确的缺点。面板上还设有多只发光二极管指示每一个脉冲的有无和熔断器的通断。触发脉冲可外加,也可采用内部的脉冲触发可控硅,并可模拟整流缺相和逆变颠覆等故障现象。
  缩短了实训时间采用MCL系列实验台能有效缩短实训时间,且错误率低。提高了学生的实训速度,有利于在有限的实训课时中有效地完成实训教学任务。
  实训线路典型MCL系列电力电子实训系统提供了典型的实训线路,配合教学内容,满足教学大纲要求。控制电路全部采用模拟和数字集成芯片,可靠性高,维修、检测方便。触发电路采用数字集成电路双窄脉冲。此外,MCL系列电力电子实验台具有较完善的过流、过压、RC吸收、熔断器等保护功能,提高了设备的运行可靠性和抗干扰能力。
  
  实训系统的应用——单相正弦波逆变器实训举例
  
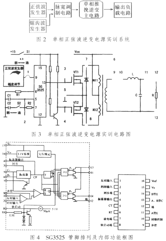
  单相正弦波逆变器的工作原理 将直流电能转换为交流电能的电路称为逆变电路,或称逆变器。单相逆变器可分为半桥逆变器、全桥逆变器和推挽逆变器等形式。本实训系统采用单相推挽逆变电路。实训系统框图及电路图分别如图2、3所示。逆变器主电路开关管采用功率MOSFET管,具有开关频率高、驱动电路简单、系统效率较高的特点。当开关其间VT1、VT2轮流导通,再经推挽变压器升压后,即可在负载端得到所需频率与幅值的交流电源。控制电路采用集成脉宽调制器SG3525,其管脚排列和内部功能框图见图4。为了使SG3525产生一个SPWM信号,在芯片的9脚加入一个幅度可变的50Hz正弦波作为调制波,与5脚处的锯齿波(即载波)信号进行比较,从而获得SPWM控制信号,如图5所示。改变正弦波的幅值,即改变调制度M,就可以改变输出电压的幅值。正弦波发生电路如图6所示。考虑到5脚处锯齿波(如图7所示)的顶点UH约为3.3V,谷点UL约为0.9V,为此,正弦波信号必须如图8所示,即其峰-峰值必须在0.9~3.3V范围内变化。
  
   
  实训内容(1)检测控制电路:①调制波与载波的检测。接通+15V电源,先用示波器观察“1”端波形应为正弦波,记录正弦波的频率、最大与最小峰-峰值、正弦波的谷点偏离横坐标的数值以及正弦波上、下半波的对称性。然后测量“2”端锯齿波的周期与顶点UH、谷点UL的值。②SG3525性能的检测。测量“3”端的SPWM波,检查当正弦波发生器的幅度调节电位器在任意位置时,是否都能与锯齿波有符合要求的相交点,保证“3”端能得到正确的SPWM控制信号。③调制度M的测量。当正弦波幅度调节电位器左旋到底与右旋到底时,测出对应的最小与最大调制度M。(2)主电路测试。①MOS管的驱动波形测试。用双踪示波器观察并记录“3”、“4”与地端间的波形(只需看部分SPWM波形),当改变幅度调节电位器位置时,应使该波形均符合互补的要求。②测量不带滤波环节时的MOS管两端电压,及输出变压器原边N11、N22两端电压以及负载端的波形(只需测量部分SPWM波形)。③带滤波环节时的MOS管两端电压、输出变压器原边N11、N22两端电压以及负载端的波形测试。④不同调制度M时的负载端电压测试。⑤不同载波频率时的滤波效果比较。
  实训结论由实训结果可知,SG3525可以为主电路开关器件提供正弦PWM信号,改变调制度,确实达到了改变输出电压幅值的目的。通过实训,学生对SPWM控制技术及其在无源逆变电路中的应用有了感性认识,加深了对理论学习的理解,加强了理论与实际的联系。
  MCL系列电力电子实验台的应用,丰富地反映出课程的内涵,加深了学生对理论的理解,提高了实际动手能力,使实训教学灵活、准确、直观,取得了较好的教学效果。有利于在新型电力电子器件及新技术的应用方面,拓宽学生知识面,开启新思路,可进一步提高学生的设计和实训技能,为深化实训教学改革创造更加有利的条件。
  
  参考文献:
  [1]电力电子及电气传动实验台实验指导书[Z].浙江求是科教设备有限公司,2004.
  [2]黄俊,王兆安.电力电子变流技术(第3版)[M].北京:机械工业出版社,2000.
  [3]浣喜明,姚为正.电力电子技术(第2版)[M].北京:高等教育出版社,2004.
  
  作者简介:
  白广新,女,硕士研究生,讲师,主要从事模拟和数字电子技术、电力电子技术的教学和研究。