首页 -> 2008年第1期

Multisim软件引入《通用技术》课堂教学的优势

作者:徐 宁




  [摘 要]《通用技术》是高中阶段一门必修课程,但各学校普遍存在实验课学时较少和实验设备不足、实验成本较高的局限。本文在分析当前电子控制技术现状的基础上,认为应充分发挥信息技术与课程整合的作用,将Multisim电子仿真软件引入高中通用技术课堂教学中,用仿真软件进行辅助教学,能取得较好效果。
  [关键词]通用技术 课堂教学 Multisim电子仿真软件
  
  随着电子技术的飞速发展及电子技术与计算机信息技术的强力整合,电子技术应用水平几乎在呈指数形式发展,电子控制技术是高等院校电子专业、计算机专业及相关专业的必修课,新课程改革中高中阶段作为一门选修课,该课程专业性强,使教师的教和学生的学都存在一定的难度,越来越多的高中技术教师关注和探索通用技术教学模式和方法。许多教师深感“粉笔+黑板”传统理论教学模式的艰辛,即使教师想尽办法,学生总是感到困惑和不理解,教学质量难以提高。实验也是教学中一个至关重要的环节,但高中学校普遍存在实验课学时较少和实验设备不足、实验成本较高的局限。怎样把教师和学生从传统的教学模式中解放出来,使学生充分发挥主观能动性,主动地参与到教学中来,笔者充分发挥信息技术与课程整合的作用,将Multisim电子仿真软件引入高中技术通用技术课堂教学中,用仿真软件进行辅助教学,可以收到意想不到的效果。
  利用计算机建模和仿真技术在教学中表现某些系统的结构和动态,为学生提供一种可供他们体验和观测的环境,其建构出的逼真情境,生动地再现真实,让学生“身临其境”,记忆犹深。国外已有许多成功的案例,例如 “虚拟青蛙”的解剖实验室,学生可以“剥开”青蛙的皮肤和肌肉观察骨骼,可以“切开”眼睛和大脑了解内部结构……解剖实验非常迫真,学习效果很好;“虚拟果蝇”模拟实验软件,学生可以用科学探索的方式做果蝇交配实验,从而发现孟德尔遗传定律。SimCity提供一个想象的城市,允许学生应用管理学的知识管理该城市,处理相关问题等,教学效果都相当出色。
  加拿大IIT(Image Interactive Technologies)公司的multisim仿真软件是一个完全虚拟的电子实验室,在其内部具有数以万计的建模精确的元器件模型(元器件的建模是根据国外众多著名电子元件厂商提供的各项具体的原始参数进行的)和各类精度极高的虚拟仪器仪表,因而使得在其内部进行电子电路的分析验证几乎与真实实验室环境下的实验调试结果相近,而且具有完全不耗材和元器件资源、仪器仪表资源(各类仪器仪表可以多次重复调用)丰富及设计调试安全(不至于引起仪器仪表的损坏)等特点。下面就multisim辅助教学的优越性作一简单介绍,希望能与同行的共勉。
  
  (一)实验室进课堂,提高教学效率
  
  在常规通用技术有关电子的部分教学中,实验耗时多,实际操作难度大,难以在课堂时间内穿插演示,实现即时验证理论,并且高中课程设置为一周一节课。在讲解三极管三种工作状态时通常采用:一节理论、一节实验、一节总结与拓展的教学方法,时间间隔较长,由于人的记忆具有随时间推移遗忘率增大的特点,所以学生的学习效率会降低,应用multisim辅助教学就能快速、完整地建构出实验原理图,并且能够完美地仿真实验过程,实时显示实验结果,在计算机上,可以任意更改电路参数,添加和删除电路元件,让学生观察到在这一过程中实验结果所发生的变化,是45分钟内完成教学任务、提高教学效率的好方法。仿真实验室在课堂中的应用符合瑞士学者让·皮亚杰(J·Piaget)“把实验室搬到课堂中去”的设想。
  
  (二)恰当运用反例教学,优化教学效果
  
  学生用实物做实验时,对接线的要求非常严格,万一接错线可能会烧坏元件甚至烧坏仪表,不仅造成实验材料的浪费而且还有一定的危险性。而将multisim引入教学,可以把电路图故意接错,设置(短路、断路、漏电等)故障,同时在电路中接一指示灯,进行故障仿真时,会出现指示灯被烧坏或不亮等现象,再加上教师的及时解释和强调,这样生动形象的仿真给学生留下深刻的印象,从而大大减少实际操作中的线路故障率,节约实验材料,实验效率得到提高,而且在训练学生掌握正确的测量方法和熟练使用仪器方面的能力上都有明显的改善和提高,显现出传统教学所不能比拟的优越性。
  
  (三)有助于培养学生发现问题和解决问题的能力
  
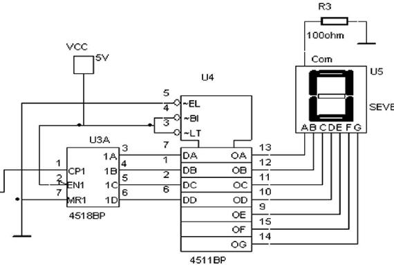
  学习能力的培养比知识的掌握更重要。利用multisim,有助于培养学生发现问题和解决问题的能力。比如,在下图用数码管计数555振荡器频率,其中共阴数码管一个很重要的知识点就是,限流电路不能太大或太小。先给学生一个错误的电路,让学生在multisim的工作区中先画出来,然后进行仿真,并分析仿真中出现的异常现象,从电路图中找出错误,修改,再仿真,直到完全正确为止。这样,学习时让学生发现问题、提出问题,教师指导学生思考问题、解决问题,使学生的注意力、观察力、记忆力、想象力等智力因素积极活动。
  
  multisim逼真的仿真效果非常适合于创设“真实”的问题学习情境,是学生学习知识和应用知识解决问题的一种良好的训练工具。
  
  (四)调动学生学习的主观能动性,培养学生的分析、应用和创新能力
  
  电子电路的系统分析一直是教学中的薄弱环节,也是学生的薄弱点。许多学生能够分析简单的稳恒电路,但对电子电路的分析感到困难。通过对典型实例的分析,能帮助学生将已学知识融会贯通,同时也培养了学生分析、应用和创新力。
  
  例:整流滤波稳压电路。
  
  教师引导学生分析一种情况,学生根据表格内容自己尝试其它各种可能情况, 通过波形图一步一步的将整流与滤波的原理展现在学生面前。另外,还可以从实际生活中提出问题,让学生利用multisim自己动手搞设计来调动学生的学习兴趣,激发创新意识。如将上图整流滤波电路改装成电池充电器。让学生讨论和收集资料,集思广益,发挥学生的创造力,还可以开阔学生的眼界,激发学生主动思考。
  由此可见,Multisim软件引入电子控制技术的课堂辅助教学,显示出传统教学不可比拟的优势.,同时也应看到电子实验培养学生动手能力的重要性,电路的焊接和调试的实际操作是该软件无法实现的。因此,应取其所长、补其所短,仿真与实训相结合,达到最佳教学效果。